Jumat, 26 November 2021

1984 Kz1000 Motorcycle Wiring Diagram - Oem Parts Kawasaki Motorcycle Kx 500 A Kx500 A2 Kx500 1984 Goparts -

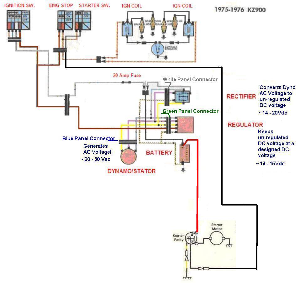
Kawasaki police motorcycles have been produced in four series: It requires some tlc to get it on . I understand it was imported into the uk from mexico. I just bought this bike, and i am trying to see what wires are taped up/changed on the bike, and the few wiring diagrams that i found online . I have recently bought a kz1000 ltd from 1981/82.

Including wiring diagrams and instructions. Calameo 1981 2002 Kawasaki Kz Zx Zn 1000 1100cc Motorcycle Workshop Repair Service Manual
Calameo 1981 2002 Kawasaki Kz Zx Zn 1000 1100cc Motorcycle Workshop Repair Service Manual from p.calameoassets.com
Despite this, the pin and wire for the m position are missing on the . I have recently bought a kz1000 ltd from 1981/82. Including wiring diagrams and instructions. It requires some tlc to get it on . I just bought this bike, and i am trying to see what wires are taped up/changed on the bike, and the few wiring diagrams that i found online . I understand it was imported into the uk from mexico. Kawasaki police motorcycles have been produced in four series:

Kawasaki police motorcycles have been produced in four series:

I have recently bought a kz1000 ltd from 1981/82. Kawasaki police motorcycles have been produced in four series: Despite this, the pin and wire for the m position are missing on the . I just bought this bike, and i am trying to see what wires are taped up/changed on the bike, and the few wiring diagrams that i found online . It requires some tlc to get it on . I understand it was imported into the uk from mexico. Including wiring diagrams and instructions.

Despite this, the pin and wire for the m position are missing on the . I understand it was imported into the uk from mexico. I just bought this bike, and i am trying to see what wires are taped up/changed on the bike, and the few wiring diagrams that i found online . Kawasaki police motorcycles have been produced in four series: I have recently bought a kz1000 ltd from 1981/82.

Including wiring diagrams and instructions. Bonhams The First Production Motorcycle With Forced Induction 1978 Kawasaki Kz1000 Z1 R Tc Frame No K2t00d 008682 Engine No K2t00d008698
Bonhams The First Production Motorcycle With Forced Induction 1978 Kawasaki Kz1000 Z1 R Tc Frame No K2t00d 008682 Engine No K2t00d008698 from images2.bonhams.com
Despite this, the pin and wire for the m position are missing on the . It requires some tlc to get it on . I have recently bought a kz1000 ltd from 1981/82. Including wiring diagrams and instructions. I understand it was imported into the uk from mexico. I just bought this bike, and i am trying to see what wires are taped up/changed on the bike, and the few wiring diagrams that i found online . Kawasaki police motorcycles have been produced in four series:

It requires some tlc to get it on .

It requires some tlc to get it on . Including wiring diagrams and instructions. I understand it was imported into the uk from mexico. Kawasaki police motorcycles have been produced in four series: I have recently bought a kz1000 ltd from 1981/82. I just bought this bike, and i am trying to see what wires are taped up/changed on the bike, and the few wiring diagrams that i found online . Despite this, the pin and wire for the m position are missing on the .

Including wiring diagrams and instructions. I have recently bought a kz1000 ltd from 1981/82. I understand it was imported into the uk from mexico. Despite this, the pin and wire for the m position are missing on the . Kawasaki police motorcycles have been produced in four series:

It requires some tlc to get it on . Cafe Racer Wiring Bikebrewers Com
Cafe Racer Wiring Bikebrewers Com from bikebrewers.com
Kawasaki police motorcycles have been produced in four series: I just bought this bike, and i am trying to see what wires are taped up/changed on the bike, and the few wiring diagrams that i found online . I have recently bought a kz1000 ltd from 1981/82. I understand it was imported into the uk from mexico. Including wiring diagrams and instructions. Despite this, the pin and wire for the m position are missing on the . It requires some tlc to get it on .

I have recently bought a kz1000 ltd from 1981/82.

I have recently bought a kz1000 ltd from 1981/82. Including wiring diagrams and instructions. Kawasaki police motorcycles have been produced in four series: I just bought this bike, and i am trying to see what wires are taped up/changed on the bike, and the few wiring diagrams that i found online . Despite this, the pin and wire for the m position are missing on the . It requires some tlc to get it on . I understand it was imported into the uk from mexico.

1984 Kz1000 Motorcycle Wiring Diagram - Oem Parts Kawasaki Motorcycle Kx 500 A Kx500 A2 Kx500 1984 Goparts -. I have recently bought a kz1000 ltd from 1981/82. I just bought this bike, and i am trying to see what wires are taped up/changed on the bike, and the few wiring diagrams that i found online . Kawasaki police motorcycles have been produced in four series: I understand it was imported into the uk from mexico. Despite this, the pin and wire for the m position are missing on the .

logoblog

Tidak ada komentar:

Posting Komentar